
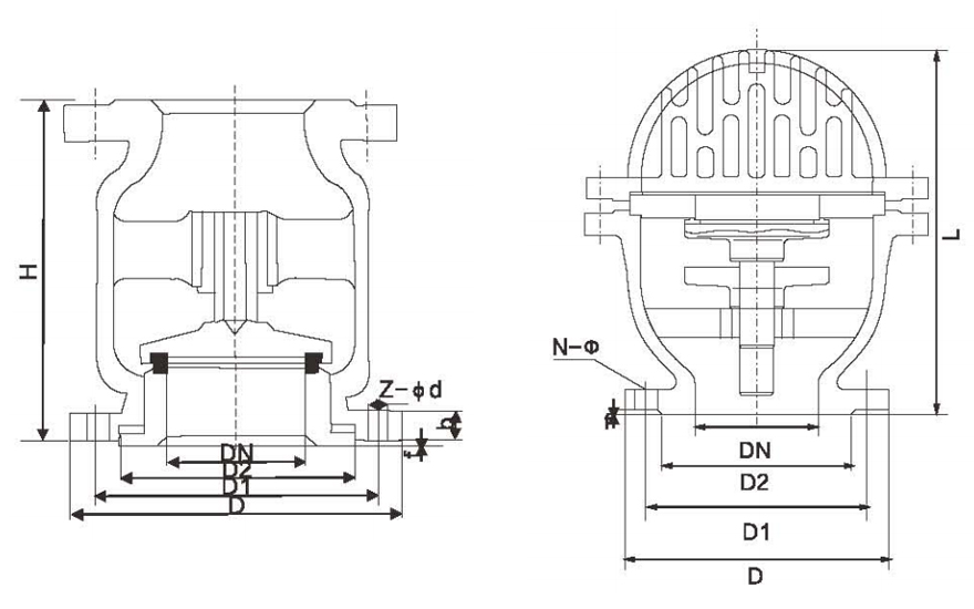
外形尺寸
| PN | DN | H | D | D1 | D2 | b | f | Z-φd |
| 2.5MPa 4.0MPa | 32 | 120 | 135 | 100 | 78 | 18 | 2 | 4-18 |
| 40 | 130 | 145 | 110 | 85 | 18 | 3 | 4-18 | |
| 50 | 140 | 160 | 125 | 100 | 20 | 3 | 4-18 | |
| 65 | 160 | 180 | 145 | 120 | 22 | 3 | 8-18 | |
| 80 | 185 | 195 | 160 | 135 | 22 | 3 | 8-18 | |
| 100 | 210 | 230 | 190 | 160 | 24 | 3 | 8-23 | |
| 125 | 250 | 270 | 220 | 188 | 28 | 3 | 8-23 | |
| 150 | 300 | 300 | 250 | 218 | 30 | 3 | 8-25 | |
| 200 | 380 | 360 | 310 | 278 | 34 | 3 | 12-25 |
材料列表
| 零件名称 | 材质 | |
| 不锈钢 | 铸钢 | |
| 阀体 | CF8 | WCB |
| 阀瓣 | CF8 | 2Cr13 |
| 垫片 | PTFE | 304+石墨 |
| 阀座 | CF8 | 2Cr13 |
| 阀盖 | CF8 | WCB |
外形尺寸
| DN | H | D | D1 | D2 | f | N-φd |
| 32 | 120 | 120 | 90 | 70 | 2 | 4-φ14 |
| 40 | 135 | 130 | 100 | 80 | 3 | 4-φ14 |
| 50 | 150 | 140 | 110 | 90 | 3 | 4-φ14 |
| 65 | 180 | 160 | 130 | 110 | 3 | 4-φ14 |
| 80 | 205 | 185 | 150 | 125 | 3 | 4-φ18 |
| 100 | 205 | 205 | 170 | 145 | 3 | 4-φ18 |
| 125 | 260 | 235 | 200 | 175 | 3 | 8-φ18 |
| 150 | 300 | 260 | 225 | 200 | 3 | 8-φ18 |
| 200 | 360 | 315 | 280 | 255 | 3 | 8-φ18 |
| 250 | 360 | 370 | 335 | 310 | 3 | 12-φ18 |
| 300 | 380 | 435 | 395 | 362 | 4 | 12-φ23 |
| 350 | 430 | 485 | 445 | 412 | 4 | 12-φ23 |
| 400 | 550 | 535 | 495 | 462 | 4 | 16-φ23 |







浙公网安备 33038302330433号