
执行标准
| 设计依据 | GB | API |
| 设计标准 | GB/T 12235 | BS1868 |
| 结构长度 | GB/T 12221 | ASMEB16.10 |
| 连接法兰 | JB/T 79-94 | ASMEB16.5 |
| 试验和检验 | JB/T9092 | AP11598 |
性能规范
| 部件 | 零件名称 | ||||
| 阀体 阀瓣 | 双头螺柱 | 六角螺母 | 垫片 | 阀盖 | |
| Gb | Wcb Wc1 Wc6 Wc9 C5 Cf8 Cf8m Cf3 Cf8c Cf3 Cf3m | 35crmoa 25cr2moa 0cr18ni9 0cr17ni12mo2 | 45 35crmoa 25cr2moa 0cr18ni9 0gr17ni12mo2 | 柔性石墨 +不锈钢 | 25 1cr18ni9ti 0cr18ni12mo2ti 20cr1mo1v 25cr2mov |
| Astm | Wcb Wc1 Wc6 Wc9 C5 Cf8 Cf8mCf3 Cf8c Cf3 Cf3m | A193-b7 A320-b6 A198-b8m | A194-2h A194-8 A198-b8m | 柔性石墨 +不锈钢 | A1405 F11 F22 F5 F9 F304 F316 F321 F304lf316l |
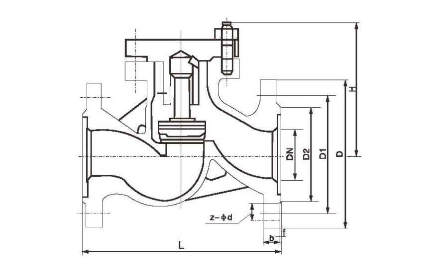
外形尺寸
| PN | DN | L | D | D1 | D2 | b | Z-φd | H |
| 1.6Mpa | 15 | 130 | 95 | 65 | 45 | 14 | 4-14 | 77 |
| 20 | 150 | 105 | 75 | 55 | 14 | 4-14 | 77 | |
| 25 | 160 | 115 | 85 | 65 | 14 | 4-14 | 80 | |
| 32 | 180 | 135 | 100 | 78 | 16 | 4-18 | 85 | |
| 40 | 200 | 145 | 110 | 85 | 16 | 4-18 | 95 | |
| 50 | 230 | 160 | 125 | 100 | 16 | 4-18 | 105 | |
| 65 | 290 | 180 | 145 | 120 | 18 | 4-18 | 120 | |
| 80 | 310 | 195 | 160 | 135 | 20 | 8-18 | 130 | |
| 100 | 350 | 215 | 180 | 155 | 20 | 8-18 | 140 | |
| 125 | 400 | 245 | 210 | 185 | 22 | 8-18 | 155 | |
| 150 | 480 | 280 | 240 | 210 | 24 | 8-23 | 180 | |
| 200 | 600 | 335 | 295 | 265 | 26 | 12-23 | 215 | |
| 250 | 730 | 405 | 355 | 320 | 30 | 12-25 | 260 | |
| 300 | 850 | 460 | 410 | 375 | 34 | 12-25 | 315 |







浙公网安备 33038302330433号